15538223685
15538223685
base鄭州市正罡機械有限公司
廣泛應用于冶金、礦山、化工、建材、煤炭、耐火材料、陶瓷等行業
位置:首頁 > 解決方案
admin
2022/3/24 14:46:49
/次

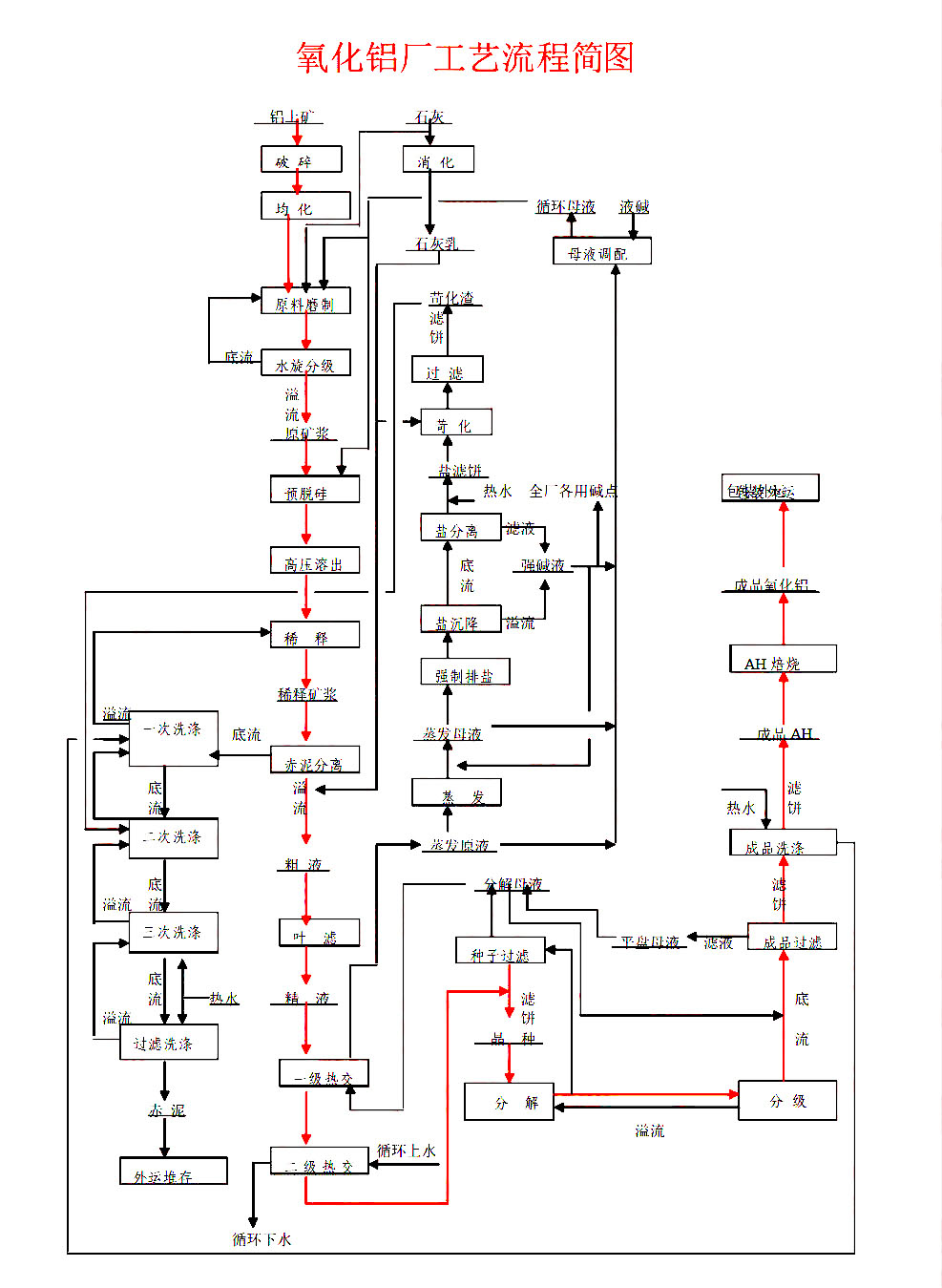
氧化鋁(Al₂O₃)是由鋁土礦石經過復雜的加工工藝制成的應用范圍較廣的金屬陶瓷材料。
氧化鋁與鋁土礦、鋁錠的關系:4噸鋁礦石生產2噸氧化鋁生產1噸電解鋁(4:2:1)
氧化鋁加工工藝流程
燒結法生產線
鋁土礦破碎、堆料、取料、輸送、生料磨制、料漿調配、熟料燒成、煤粉制備、熟料中碎、電收塵、風機螺旋、熟料溶出、赤泥分離、赤泥洗滌、粗液喂料泵、脫硅、葉濾硅渣、碳酸化分解、種子分解、氫鋁過濾、母液蒸發、平盤過濾、焙燒。
拜耳法生產線
供礦、原料制備、單管溶出、沉降洗滌、分解系統、蒸發系統、焙燒爐。
聯合法生產線
破碎、堆廠、翻車機、原燃料輸送(一車間),化堿、原料磨、飼料機(二車間),卷揚、石灰爐(石灰爐車間),脫硅、壓縮機。

上一頁:沒有了
下一頁:鋁土礦生產線
